Monolithic Integration of Hall Plate Current Sensing for Predictive Reliability in SiC Power Transistors

Willem Vandesteene , Tim Piessens Analog and power management circuits Mixed-signal circuits and data converters Biomedical circuits and sensor interfaces

This project focuses on the monolithic integration of Vertical Hall Sensors (VHSs) within Silicon Carbide (SiC) power modules. The objective is to achieve high-bandwidth, stray-field-immune current sensing for real-time health monitoring. To overcome the bandwidth limitations of traditional spinning current techniques, the research investigates novel digital ripple reduction algorithms, decoupling offset cancellation from readout speed.

 


Research Objectives

A. High-Speed Readout

SiC transistors require multi-MHz sensing bandwidth to track fast switching transients.

  • Challenge: Standard chopping/spinning current techniques induce a "ripple" at the chopping frequency. To avoid aliasing, the signal bandwidth is typically capped at a fraction of this frequency.

  • Goal: Break the bandwidth-accuracy trade-off to capture nanosecond-scale current spikes.

B. Digital Ripple Reduction 

Instead of relying solely on increasing the analog spinning frequency (which hits physical limits), this research proposes Digital Ripple Reduction.

  • Technique: The system will employ advanced digital signal processing (DSP) to calculate the offset based on the ripple and subtract the offset in the analog domain.

  • Benefit: This allows the sensor to operate with a lower spinning frequency (reducing power and complexity) while maintaining a clean, high-bandwidth signal path essential for transient analysis.

C. Predictive Reliability

  • Application: Utilization of the high-speed, offset-free data to monitor the Safe Operating Area (SOA) in real-time.

  • Failure Detection: Detection of early degradation signs, such as bond wire lift-off or die-attach fatigue, by analyzing anomalies in the switching current waveforms and ON-resistance.


Expected Impact

  • Bandwidth Unlocked: Achieving current sensing speeds previously unattainable with low-offset Hall sensors.

  • Compactness: Elimination of bulky external sensors reduces module inductance and size.

  • Intelligence: Enabling "smart" SiC modules capable of predictive maintenance and self-diagnosis.

Get in touch
Tim Piessens
Academic staff
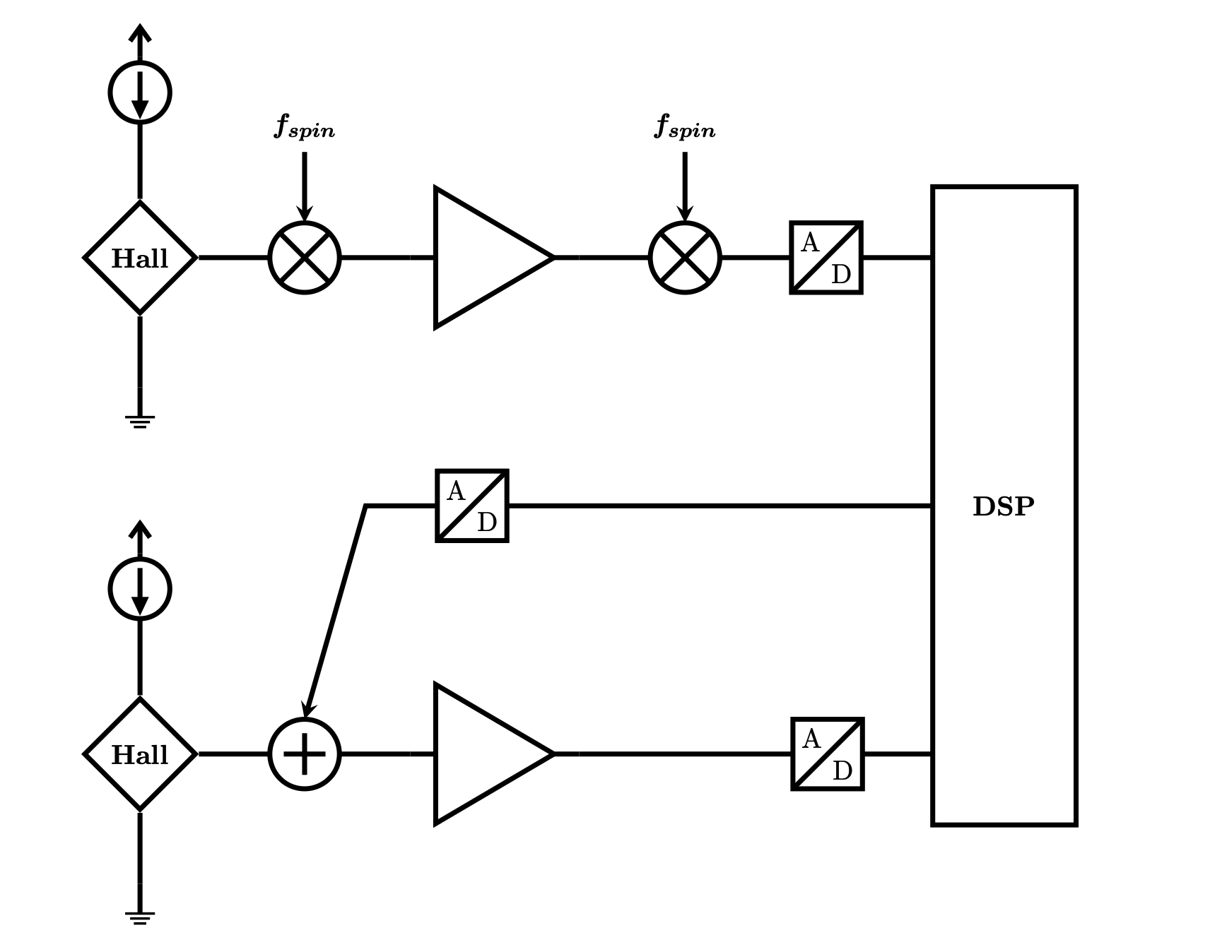
Block diagram of a mixed-signal high speed Hall readout system
Block diagram of a mixed-signal high speed Hall readout system

Other research topics in Analog and power management circuits , Mixed-signal circuits and data converters , and Biomedical circuits and sensor interfaces

Analog Compression Techniques for High-Resolution, High-Speed Image Sensors
Mixed-signal circuits and data converters, Biomedical circuits and sensor interfaces
Ivan Ramírez Lechuga | Tim Piessens
A Mix-Signal Ising Accelerator for Real-World Applications
Mixed-signal circuits and data converters
Giuseppe Sarda, Jiacong Sun, Toon Bettens, and Sofie De Weer | Wim Dehaene and Marian Verhelst
Integrated high-voltage DC-DC converter for battery management systems applications
Analog and power management circuits
Robbe Stassart | Filip Tavernier
Ultra-High-Speed Analog Front Ends for Time-Interleaved ADCs
Mixed-signal circuits and data converters
Tim Borremans | Filip Tavernier
Ultra-High-Speed ADCs for Wireline Communication
Mixed-signal circuits and data converters
Shuangmu Li | Filip Tavernier
Low noise CMOS image sensor
Analog and power management circuits, Mixed-signal circuits and data converters
Prayag Wakale | Filip Tavernier
Driving large ultrasound transducer arrays for haptic feedback
Analog and power management circuits
Jonas Pelgrims | Wim Dehaene
Integrating a 90V to 5V DC-DC converter for high-voltage battery management systems.
Analog and power management circuits
Tim Rens | Filip Tavernier
Neuromorphic high-density tactile sensor readout for electronic skins (e-skins)
Biomedical circuits and sensor interfaces
Mark Alea | Georges Gielen
Scalable large array nanopore readouts for proteomics and next-generation sequencing
Analog and power management circuits, Hardware-efficient AI and ML, Biomedical circuits and sensor interfaces
Sander Crols | Filip Tavernier and Marian Verhelst
Implantable neural readout frontend design for closed-loop neuromodulation systems
Mixed-signal circuits and data converters, Biomedical circuits and sensor interfaces
Marco Carlino | Georges Gielen
Fully Integrating High-Voltage DC-DC and AC-DC Conversion
Analog and power management circuits
Tuur Van Daele | Filip Tavernier
Pixel-Parallel Conversion for Image Sensors
Mixed-signal circuits and data converters
Rico Jossel Maestro | Filip Tavernier
THZ range detector circuit for plasmonic wave computing
Mixed-signal circuits and data converters, RF, mm-wave and THz circuits
Xuan Wu | Patrick Reynaert
A High-Speed, High-Linearity Time-Interleaved Analog-to-Digital Converter
Mixed-signal circuits and data converters
Zongyuan Li | Filip Tavernier
High-Speed Precision ADCs for the Next-Generation of Low-Power, Low-Latency Sensing and Communication
Mixed-signal circuits and data converters
Jun Feng | Filip Tavernier
Ultrasound wave based body area networks
Analog and power management circuits, Ultra-low power digital SoCs and memories, Biomedical circuits and sensor interfaces
Wim Dehaene and Marian Verhelst
High-resolution neurostimulator ICs for the Visual Cortex
Biomedical circuits and sensor interfaces
Maxime Feyerick | Wim Dehaene
Cryo-CMOS Data Converters for Quantum Computing
Mixed-signal circuits and data converters, Quantum and cryogenic circuits
Bram Veraverbeke | Filip Tavernier

Want to work with us?

Get in touch or discover the way we can collaborate.